垂直振動提升機生產廠家報價
垂直振動提升機生產廠家-合理報價|型號|圖紙|推薦選型-提升機廠家直銷 整機質保1年 歡迎咨詢訂購 13353676726

垂直振動提升機
應用行業:化工、橡膠、塑料、醫藥、輕工、食品、冶金、建材、礦山、糧食
適用物料:粉狀、塊狀和短纖維狀的固體物料
價格區間:1-10萬元/臺 處理能力:1-10T/H
垂直振動提升機簡介
垂直振動提升機也可叫做干燥提升機、冷卻提升機,是采用振動電機作為振動源,固定在提升槽上的兩臺相同型號的振動電機線交叉一定角度安裝,并做相反方向自同步旋轉,振動電機所帶的偏心塊在旋轉時各個瞬間位置所產生的離心力之分力沿拋擲方向作往復運動,使支承在減振器上的整個機體不停振動,使物料在提升槽內被拋起的同時向上運動,物料落入入料槽后,開始被拋起,此時可以使物料與空氣充分接觸,還可以起到散熱冷卻的作用。
垂直振動提升機可分敞開式、封閉式兩種結構。具有產品占地面積小,便于工藝布置。物料可向上輸送,亦可向下輸送。噪音低,結構簡單,安裝、維修便利。結構簡單合理、能耗小,節約電能,料槽磨損小。
垂直振動提升機原理
垂直振動提升機的驅動裝置振動電機安裝在輸送塔下部,兩臺振動電機對稱交叉安裝,輸送塔由管體和焊接在管體周圍的螺旋輸送槽組成,輸送塔座于減振裝置上,減振裝置由底座和隔振彈簧組成。當垂直輸送機工作時,根據雙振動電機自同步原理,由振動電機產生激振力,強迫整個輸送塔體作水平圓運動和向上垂直運動的空間復合振動,螺旋槽內的物料則受輸送槽的作用,作勻速拋擲圓運動,沿輸送槽體向上運動,從而完成物料的向上(或向下)輸送作業。
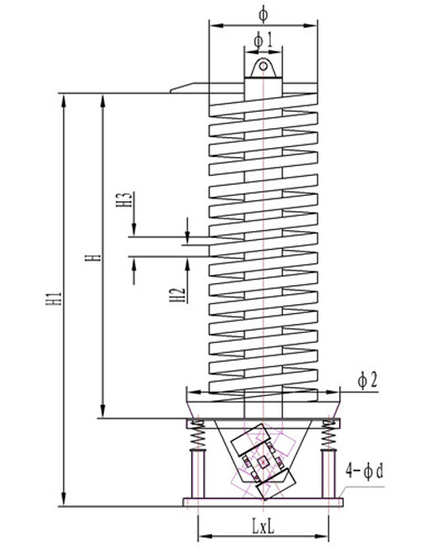
垂直振動提升機結構圖
電機振動垂直提升機是由提升槽、振動電機、減振系統和底座等組成。
垂直振動提升機圖片

垂直振動提升機代號解釋
DZ C 600
┬ ┬ ┬
│ │ │
│ │ │
│ │ │
│ │ └───────────── 輸送槽直徑(mm)
│ │
│ └──────────────- 垂直
│
└──────────────── 電機振動
振動提升機技術參數表:
垂直振動提升機生產廠家
河南奧創斗式提升機廠家是一家以物料提升機研發生產為主要營業范圍的廠家,可為粉末、冶金、化工、醫藥、礦山、建材、玻璃、食品、涂料、陶瓷、煤炭、石英砂等求購斗式提升機的廠家根據物料屬性提供垂直、皮帶、環鏈、板鏈斗式提升機的行業解決方案,其中包括斗式提升機結構圖紙繪畫、價格計算、廠家真機圖片展示,及到廠實地考察接待,歡迎實地考察!
訂購網址請登錄河南奧創機械有限公司官方網站:www.seekit.com.cn 24小時服務熱線:13353676726


