
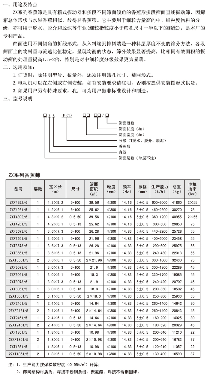
香蕉振動篩產品描述:
香蕉形多段工作面重型直線分級機器(簡稱:香蕉型直線振動篩)是具有箱式振動器和多段不同傾角篩面的直線振動分級,主機箱的形狀與香蕉相似。主要用于細粒含量高的大、中粒物料的粒度分級,亦可用于脫水、脫介和脫泥等作業。(細粒指粒度小子篩孔尺寸一半以下的顆粒)

香蕉型直線振動篩是在直線分級機基礎上注入香蕉形多段工作面的專利技術設計而成的。在入料端有一較大的斜坡篩面,隨后緊接著以一定數目的角度逐級下降,直到出料口為止,整體篩面呈凹弧形。入料端的斜坡篩面可使更多的物料通過篩面時有較高的篩分速度和較薄的物料分層。因為大塊物料較快地穿過陡坡,這種較早地分層使細的顆粒更快的靠近篩面,能相對不受阻礙地通過縫隙,所以,香蕉篩具有極高的篩分效率和高于傳統分級篩1.5-2倍處理量的特點。(執行中華人民共和國機械行業標準“JB/T 10460—2004”)
注:1、生產能力按煤松散密度(0.95t/m3)計算;
2、篩網結構材質為:焊接不銹鋼條縫;聚氨酯;焊接不銹鋼圓棒;沖孔;彈性轉桿;重型棒條。
河南鵬威機械設備有限公司專業生產各種通用設備,振動設備商家
訂購網址請登錄河南鵬威機械有限公司官方網站:www.seekit.com.cn 24小時服務熱線:13353676726